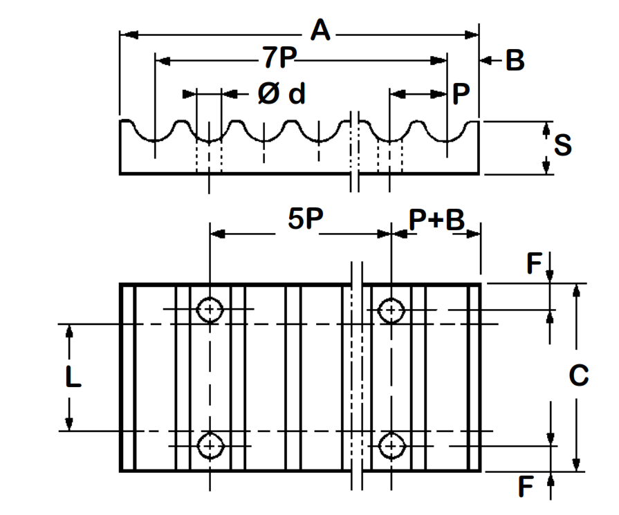
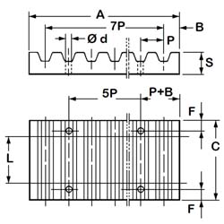
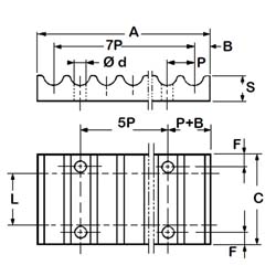
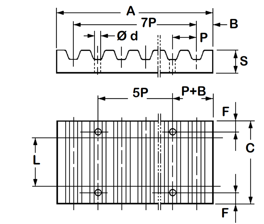
Ideal for applications where the belt must be firmly held in one spot. Perfect for use with long length belting. Supreme Engineers keep a large range of Clamp Plates on the shelf.
Material:Aluminium
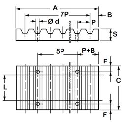
| Pitch | F | d | B | A | S | 025 | 037 | 050 | 075 | 100 |
|---|---|---|---|---|---|---|---|---|---|---|
| XL | 6 | 5.5 | 3.5 | 42.5 | 8 | 25.5 | 28.5 | |||
| L | 8 | 9 | 5 | 76.6 | 15 | 39 | 45 | 51.5 | ||
| H | 10 | 11 | 9 | 106.9 | 22 | 45 | 51 | 57.5 |
L(Belt Width)
C(Clamp Width)
| Pitch | F | d | B | A | S | 10 | 16 | 25 | 32 | 50 |
|---|---|---|---|---|---|---|---|---|---|---|
| T5 | 6 | 5.5 | 3.2 | 41.8 | 8 | 29 | 35 | 44 | ||
| T10 | 8 | 9 | 5 | 80 | 15 | 41 | 50 | 57 | 75 | |
| AT5 | 6 | 5.5 | 3.2 | 41.8 | 8 | 29 | 35 | 44 | ||
| AT10 | 8 | 9 | 5 | 80 | 15 | 41 | 50 | 57 | 75 |
L(Belt Width)
C(Clamp Width)
| Pitch | F | d | B | A | S | 09 | 15 | 20 | 25 | 30 | 40 | 50 | 55 | 85 | 100 | 115 | 170 |
|---|---|---|---|---|---|---|---|---|---|---|---|---|---|---|---|---|---|
| 5M/S5M | 6 | 5.5 | 3.2 | 41.8 | 8 | 28 | 34 | 44 | |||||||||
| 8M/S8M | 8 | 9 | 5 | 66 | 15 | 40 | 45 | 55 | 75 | 110 | |||||||
| AT5 | 6 | 5.5 | 3.2 | 41.8 | 8 | 29 | 35 | 44 | 8 | 29 | 35 | 44 |
L(Belt Width)
C(Clamp Width)
MO : 91-9825088388
Email : pulley007@gmail.com